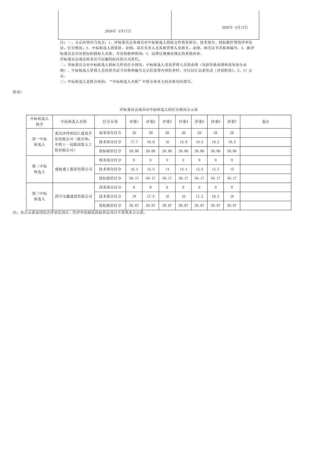
沙坪坝区歌乐山街道、中梁山镇五个镇街污水管网更新改造项目(一期)二标段中标候选人公示
2026-04-21
重庆 中标结果
沙坪坝区歌乐山街道、中梁山镇五个镇街污水管网更新改造项目(一期)二标段中标候选人公示
重庆-2026-04-21 00:00:00
重庆-2026-04-21 00:00:00
| 索引号: | ******************/********** | 信息分类名称: | 行政事务/行政许可 | ||
| 发布机构: | 沙坪坝区发展改革委 | 生成日期: | ********** | 发布日期: | ********** |
| 名称: | 沙坪坝区歌乐山街道、中梁山镇五个镇街污水管网更新改造项目(一期)二标段中标候选人公示 | ||||
| 文号: | 主题词: | ||||
沙坪坝区歌乐山街道、中梁山镇五个镇街污水管网更新改造项目(一期)二标段中标候选人公示
日期:**********








