吉林/长春-2026-02-10 00:00:00
靖发改审批字〔****〕**号
靖宇县宏泽建设投资发展有限公司:
你单位报来《关于报批头道松花江流域靖宇段水环境综合治理工程可行性研究报告(代项目建议书)(调整版)的请示》(靖宏投字〔****〕*号)及有关材料收悉。我局于****年**月**日完成《靖宇县发展和改革局关于头道松花江流域靖宇段水环境综合治理工程可行性研究报告(代项目建议书)(修改版)的批复》(靖发改审批字〔****〕***号),由于项目单位在项目推进过程中,经详细核查及相关权属单位对接确认,发现原规划污水管线工程沿线用地存在权属界定不清、部分用地未取得合法使用手续等问题,短期内无法完成权属确权、用地审批等相关手续,影响项目整体推进进度及工程建设合法性。所以删除关于污水管网等建设内容,并同步删除道路恢复等内容,总投资同步删减。项目建设期顺延。依据中天设计集团有限公司《关于报送***;头道松花江流域靖宇段水环境综合治理工程可行性研究报告(代项目建议书)(调整版)评估意见***;的报告》(中天审*〔****〕*** 号)的评估意见,经研究,原则同意由吉林东南工程管理咨询有限公司调整后的《头道松花江流域靖宇段水环境综合治理工程可行性研究报告(代项目建议书)(调整版)》文本内容,现批复如下。
一、项目名称及在线审批监管平台代码
头道松花江流域靖宇段水环境综合治理工程(项目代码:************************)
二、项目建设单位
靖宇县宏泽建设投资发展有限公司
三、建设地点
项目生态步道、生态护岸、生态隔离带建设地点位于靖宇县 富国村、燕平村、葫芦头沟、长白山人才学院西侧、靖宇林场南侧。项目清淤工程地点位于长白山人才学院青龙河河道、靖宇县外环珠子河河道、大北山村珠子河河道。
四、建设规模及主要建设内容
项目在头道松花江流域建设生态护岸工程、生态步道工程、生态隔离带工程、河道清淤工程,其中:生态护岸长度为****.***,生态步道长度为 ****.***,生态隔离带面积为 ****.** ㎡,河道清淤工程长度为 *****.***,面积为 ******.** ㎡,合计淤泥量为 ******.****。
五、建设期限
建设期为**个月。
六、总投资及资金来源
项目总投资****.**万元。资金 来源:申请中央预算内资金及建设单位自筹解决。
七、相关要求
(一)靖宇县宏泽建设投资发展有限公司要严格落实项目实施主体责任,按照《吉林省政府投资管理办法》(吉政发〔****〕*号)规定,据此编制项目初步设计并报我局审批,要认真履行政府投资项目管理程序,确保项目依法依规开工建设。
(二)靖宇县宏泽建设投资发展有限公司要加强项目管理,落实“四制”相关要求,严格按照批复的建设地点、建设规模和建设内容、技术标准等实施,按工程进度、合同约定等及时拨付建设资金,不得违规举债、不得增加政府隐性债务、不得由施工单位垫资建设,确保项目依法合规按期建成,并严格按照有关规定报有关部门验收合格后投入使用,不得擅自改变使用功能和用途。
(三)靖宇县宏泽建设投资发展有限公司要通过投资在线审批监管平台如实报送项目开工、建设进度、竣工投用等基本信息,其中项目开工前应按季度报送项目进展情况;项目开工后至竣工投用止,应逐月报送进展情况。省发改委将采取在线监测、现场核查等方式对项目实施监管,依法处理有关违法违规行为,并按照有关规定向社会公开。
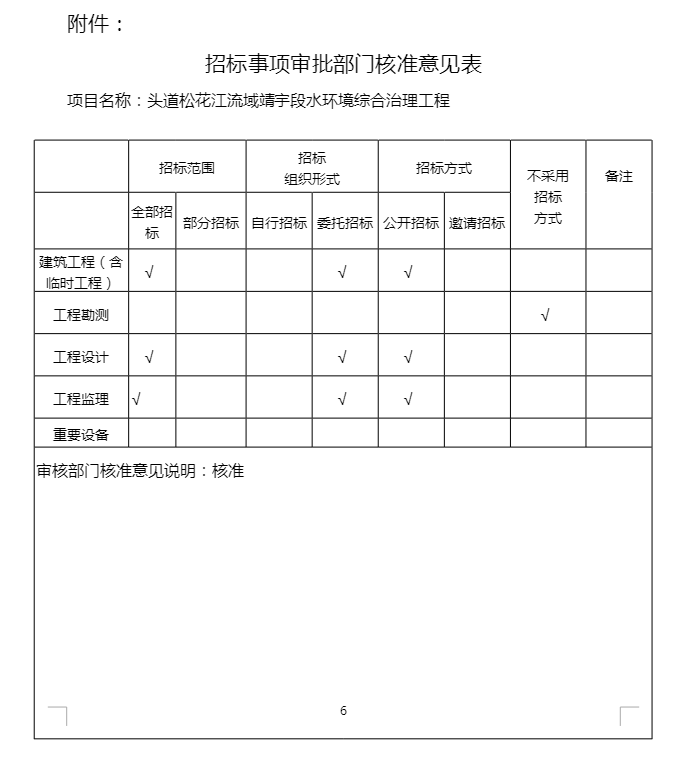
(四)该项目招标范围、组织形式、招标方式详见附件《招标事项审批部门核准意见表》,靖靖宇县宏泽建设投资发展有限公司要严格按照《中华人民共和国招标投标法》等法律法规规定,规范开展招投标工作。(五)本批复文件自印发之日起,《靖宇县发展和改革局关于头道松花江流域靖宇段水环境综合 治理工程可行性研究报告(代项目建议书)(修改版)的批复》(靖发改审批字〔****〕***号)的批复予以废止。
(六)按照有关法律法规规定,如需对本项目批复文件进行调整的,应及时以书面形式向我局提出调整申请,我局将根据项目具体情况,办理调整手续。本批复文件自印发之日起,*年内未据此办理下步手续,本文件自动失效。
附件:招标事项审批部门核准意见表
靖宇县发展和改革局
****年*月*日




