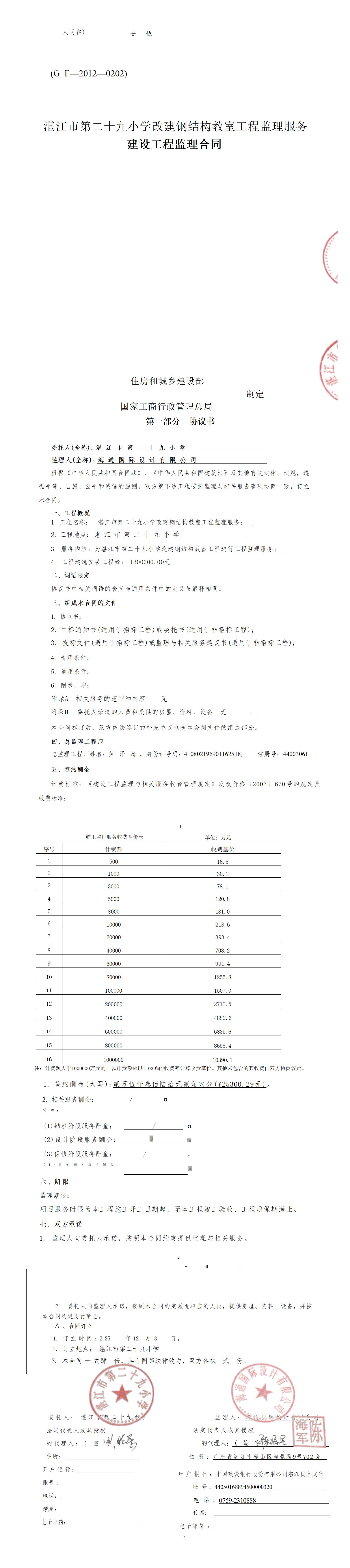
湛江市第二十九小学改建钢结构教室工程监理服务合同公开
2026-01-06
广东/湛江 中标结果
湛江市第二十九小学改建钢结构教室工程监理服务合同公开
广东/湛江-2026-01-06 00:00:00
广东/湛江-2026-01-06 00:00:00
湛江市第二十九小学改建钢结构教室工程监理服务
-
采购项目名称:
湛江市第二十九小学改建钢结构教室工程监理服务
-
采购项目编码:
*************************
-
项目业主:
湛江市第二十九小学
-
服务机构:
海通国际设计有限公司
-
合同名称:
湛江市第二十九小学改建钢结构教室工程监理服务
-
合同编号:
*************************
-
合同总金额:
¥**,***.**元
-
合同签订时间:
****年**月**日
-
履约人员:
-
合同服务期限:
****年**月**日至****年**月**日
-
服务内容:
地址:湛江市赤坎区湾北路**号(湛江市第二十九小学校园),在校园内改建三间钢结构教室,建筑面积约***平方,资金投入约***万元。根据项目业主要求,开展施工监理工作,并向项目建设单位提供有关监理资料,确保项目质量,确保项目合法、合规.合理(以合同约定为准)
- 合同附件
湛江市第二十九小学
**********



